公司概况
我们的使命
我们的愿景
企业价值
联系我们
晶闸管模块
二极管模块
整流桥模块
汽车电子
通讯
消费电子
工业应用
安全
应用方案
企业新闻
市场新闻
西班牙CATELEC
地址:江苏省昆山市朝阳东路99号
邮箱:3628600362@qq.com
电话:18101552298
传真:
Market News
因为专注,所以专业
普通的二极管模块由PN结构成。在P和N半导体材料间添加一薄层低掺杂的本征(Intrinsic)半导体层,构成的这类P-I-N构造的二极管模块便是PIN二极管模块。正因为有本征(Intrinsic)层的存在,PIN二极管模块使用很普遍,从低频到高频的使用都有,主要用在RF行业,用来RF开关和RF保护线路,还有用来光电二极管模块(PhotoDiode)。PIN二极管模块包含PIN光电二极管模块和PIN开关二极管。微波开关借助PIN管在直流正,反偏压下展现类似导通或断开的阻抗特性,实现了控制微波信号通道转变作用。PIN二极的直流伏安特性和PN结二极管模块是相同的,但在微波频段却有本质的差别。因为PIN二极I层的总电荷...
三端双向晶闸管模块,是在单向晶间管的基础上发展起来的,其内部构造和等效线路如下图1-42所显示。 双向晶闸管模块是由具备公共控制极的2个反方向并接的单向晶闸管模块构造而成。因为2个单向晶闸管模块是反方向并接的,控制极之外的两端就不再称阳极、阴极了,习惯上用T1极、T2极表示这两个端。当G极和T2极对T1的电压均为正时,图1-42(b)中的晶体管V3、V4导通,这时T2是阳极,T1是阴极。当G极和T1极对T2的电压均为正时,V1、V2导通,这时T1又变为阳极,而T2为阴极。(1)用数字万用表分辨T2的分辨。把数字万用表打到R×1Ω档,两电笔交换接触双向晶闸管模块的任意2个电极,会出现某1个电极对另2...
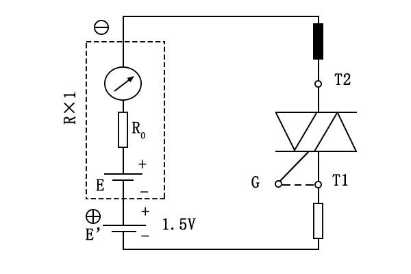
因为小功率双向晶闸管模块的触发电流仅有几十毫安,所以可以用R×1档检测其触发能力。大功率双向晶闸管模块则不同,例如BA40-700型40A/700V双向晶闸管模块的IGT=100毫安,通过R×1档已不能使管子触发。因此可选用图5.9.13所显示线路,给数字万用表R×1档外接一节1.5V电池E′,将检测电压升到3V,同时增加检测电流(I′M=3V/R0)。以500型数字万用表R×1档举例,将E′接在数字万用表“+”插孔与红电笔间,这时总电压E+E′=3V。该电阻档的欧姆中心值R0=10Ω,改装后的短路电流I′M=(E+E′)/R0=3V/10Ω=300毫安,实际可供应100毫安左右的检测电流。图1中的虚线代表...
1.半桥的检测半桥是由2只整流二极管组成,通过用数字万用表分别测量半桥内部的2只二极管的正、反电阻值是不是正常的,就可以判别出该半桥是不是正常的。2.全桥的检测主要都的整流全桥上,均标注有“+”、“-”、“~”符号(当中“+”为整流后输出电压的正极,“-”为输出电压的负极,“~”为沟通电压输入端),很简单判断出各电极。检测时,可通过火别测量“+”极与2个“~”极、“-”极与2个“~”间各整流二极管的正、反方向电阻值(与通常二极管的测量方法一样)是不是正常的,就可以判别该全桥是不是已经坏了。若测出全桥内鞭只二极管的正、反方向电阻值均为0或均为无量大,则可判别该二极管已击穿或开路毁坏。上述便是西...
一、什么是整流桥堆常说的整流桥堆便是由4只二极管构成,有4个引出脚。2只二极管负极的连接点是全桥直流输出端的“正极”,2只二极管正极的连接点是全桥直流输出端的“负极”,桥堆有半桥和全桥2种,半桥又有正半桥和负半桥2种。二、整流半桥和整流全桥半桥由2只二极管构成,有3个引出脚。正半桥两侧的管脚是2个二极管的正极,即交流输入端;中间管脚是2个二极管的负极,即直流输出端的“正极”。负半桥两侧的管脚上2个二极管的负极,即交流输入端;中间管脚是2个二极管的正极,即直流输出端的“负极”。1个正半桥和1个负半桥就可以构成1个全桥。三、整流桥堆接法四、整流桥堆基本原理半桥是将2个二极...